氣動球閥管路設計及在訂單中的應用
一、氣動球閥管路設計
球閥為單回轉90°的開關閥門,氣動執行器(氣動頭)在氣源壓力的作用下,推動活塞運動,帶動閥門實現開關動作。氣動閥門使用的氣源壓力一般為0.3~0.8MPa,一般配置以下元件,過濾減壓閥、電磁閥、限位開關、氣動頭和其他元件。按照發生故障時,閥門的動作形式,將氣動閥門分為兩大類,單作用和雙作用球閥。

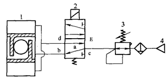
圖 1 雙作用氣動球閥工作原理圖(1.氣動頭 2.電磁閥 3.過濾減壓閥 4.氣源)
圖 1 為一套雙作用氣動球閥的工作原理圖,壓縮空氣(氣源)首先經過過濾減壓閥,清除其中含有的水分、油分以及固體粉塵顆粒,并調節系統壓力至設定值,以提供穩定的氣源壓力。然后,氣體流入電磁閥進氣口a,從氣口b流入到氣動頭,推動活塞動作,排氣通道為 d~E,線圈得電以后,電磁閥換向,氣體從氣口d流入到氣動頭,推動活塞向相反方向動作,排氣通道為b~c。

圖 2 單作用氣動球閥工作原理圖(1.氣動頭 2.電磁閥 3.過濾減壓閥 4.氣源)
圖 2 為一套單作用氣動球閥的工作原理圖,同前,壓縮空氣首先通過過濾減壓閥,電磁閥線圈得電時,氣體流入電磁閥進氣口a口,從氣口b流入到氣動頭,推動活塞動作,同時氣動頭內彈簧被壓縮,當發生故障時(失氣或者失電),電磁閥恢復彈簧位,氣源被阻斷,氣動頭彈簧釋放壓縮力,推動活塞向相反方向運動,排氣通道為b~c,可將閥門停留在設定的開啟或者關閉位置,防止發生事故。
二、氣動球閥常見需求以及解決方案
為滿足不同類型的管道系統,需選擇對應的管路系統,《表 1》為常見氣動元件的選型原則。
| 序號 | 要求 | 解決方案 |
|---|---|---|
| 1 | 普通型,發生故障時,閥門保位 | 雙作用氣動頭、過濾減壓閥、電磁閥、限位開關(通過電磁閥與氣動頭的不同連接,可實現斷電狀態下,閥門的開啟/關閉要求) |
| 2 | 普通型,故障位置開/故障位置關 | 單作用氣動頭、過濾減壓閥、電磁閥、限位開關 |
| 3 | 符合 NAMUR 結構標準 | 選用符合 NAMUR 接口的氣動頭、電磁閥、限位開關 |
| 4 | 手動操作功能 | 配氣動手輪或者液壓手動泵等 |
| 5 | 電磁閥帶手動操作 | 選用帶手動功能的電磁閥 |
| 6 | 閥門快速開啟/關閉 | 選用大流量的過濾減壓閥、電磁閥,加大鋼管直徑,在氣動頭出氣口增加快排閥1以及電磁閥控制大口徑氣控閥等 |
| 7 | 閥門開關時可調 | 增加調節閥(針閥)或者阻尼器 |
| 8 | 現場無電源或禁電 | 將電磁閥換成氣控閥 |
| 9 | 現場防爆、防水、防腐蝕等 | 選用相應等級的氣動頭、電磁閥、限位開關、連接件等 |
| 10 | 閥門/關度可調 | 選用定位器代替電磁閥、限位開關 |
| 11 | 雙作用氣缸實現單作用功能 | 增加氣罐、氣控閥等元件 |
| 12 | 現場禁銅 | 不選用含銅的氣動元件,如銅管、銅管接頭、銅電磁閥 |
| 13 | 增加電磁閥可靠性 | 選用兩個或者更多電磁閥控制 |
三、氣動元件選型
1. 氣動頭選型
選擇氣動頭時,首先確定是單作用氣動頭還是雙作用氣動頭,然后,根據閥門工況、氣源壓力等參數,選用符合輸出扭矩要求的氣動頭。
舉例說明氣動頭的選型過程:選擇球閥16×14BS15J,實際壓力19.5MPa氣動頭選型為:愛默生(EMERSON),單作用,故障位置關,氣源壓力0.55MPa。
查《球閥扭矩表》,可得數據,見《表 2》。
取安全系數為1.4,則閥門各位置的扭矩值見《表 3》。
根據EMERSON產品樣本,選擇氣動頭型號為G7028-SR4-CW,由《表 3》可見,各扭矩值均大于閥門相應位置的扭矩值,符合要求。
| 智能扭矩計算 | 全壓下的計算扭矩 / N·m | 實際壓力 / MPa | 實際壓力下的計算扭矩 / N·m | |
|---|---|---|---|---|
| 口徑 / in | 磅級 / Lb | |||
| 14 | 1500 | 21000 | 19.5 | 16058.82 |
| 閥門位置 | VBTO | VRTO | VETO | VBTC | VRTC | VETC |
|---|---|---|---|---|---|---|
| 執行器位置 | ABTO | ARTO | AETO | ABTC | ARTC | AETC |
| 16×14BS15J | 22484 | 13490 | 16863 | 20236 | 13490 | 20236 |
| G7028-SR4-CW | 42955 | 18558 | 28223 | 34732 | 14578 | 21404 |
2. 電磁閥選型
電磁閥選型的時候,要注意電磁閥的特征參數是否滿足需要,如壓力范圍、流通介質、工作溫度、流通系數、電壓、防爆要求以及其他功能等。
3. 過濾減壓閥選型
過濾減壓閥選型的時候,要注意過濾減壓閥的壓力范圍、流通介質、工作溫度、排水裝置(自排、手排)及濾芯精度等。
4. 限位開關選型
限位開關選型的時候,要注意反饋方式(機械式、感應式)、位置指示的顏色是否符合要求,以及是否符合相應的防爆等級等。